Maxi-Clean Screen Filters

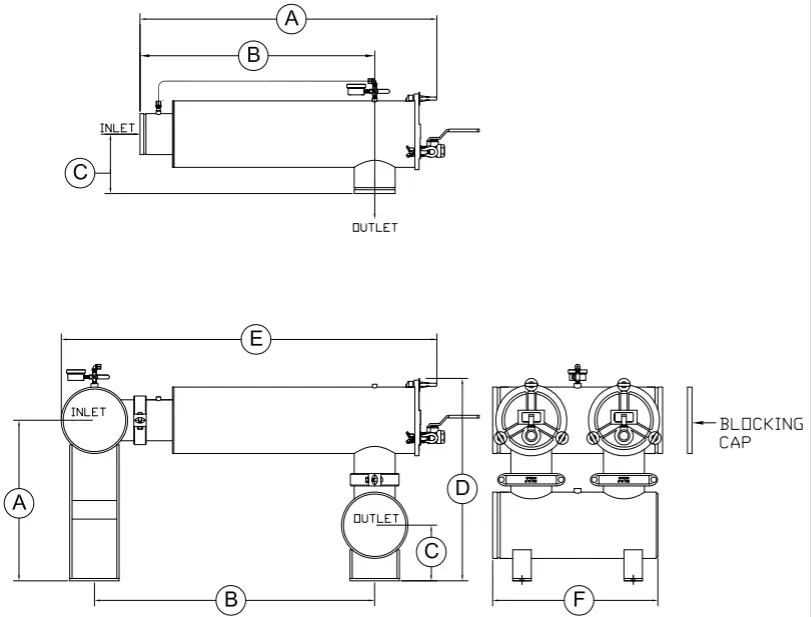
Yardney Maxi-Clean Screen Filters are designed for high performance contamination removal in applications where durability and economy are essential. Constructed of heavy-gauge carbon or stainless steel, Maxi-Clean filters are lined with 3M Scotchkote® 134 fusion bonded epoxy for excellent protection from the environment and long product life. The Maxi‑Clean screen filter is easy to operate and comes standard with grooved couplings, manifolds and all accessories for ease of installation.
Applications:
- Removal of sand, rock, grit and other inorganic contaminants to protect drip and micro-irrigation systems with fine removal down to 200 mesh or 75 microns
- 100 psi standard operating pressure (high pressure systems available)
- Flow ranges from 110 gpm
- Can be used as a primary filter in specific applications
- Can be used as a secondary filter to a sand media filter, centrifugal separator or other primary filtration system
Advantages:
- Heavy duty, durable, low-cost screen filter
- Rugged, field changeable, washable and replaceable polypropylene filter sock available in 40, 80, 100, 150 and 200 mesh
- Large screen area produces less than 2 psi pressure drop accompanied by long run times between cleanings
- Flush port provides for manual removal of heavy contaminants
- Easy-entry lid closure
- Available in welded carbon steel
- 3M Scotchkote® 134 fusion bonded epoxy coating on interior surfaces of carbon steel product
- Exterior of housing is coated with UV stabilized polyester powder coat for longer product life and greater protection from the environment
- Made in USA
Standard Assembly Includes:
- Carbon steel housing
- 3M Scotchkote® 134 fusion bonded epoxy coating on interior surfaces
- Polyester powder coating on exterior surfaces
- Internal cartridge element with field replaceable filter mesh
- 3-way ball valve
- Pressure gauge
- Tubing with fittings
- Purge valve for manual flushing of filter
- Multiple housings include inlet and outlet manifolds and grooved couplings to connect all components
Available Options:
- ASME code
- High pressure
- Grooved or flanged mainline connections
- Available in purple for reclaim water applications



