Maxi-Flush Screen Filter

Yardney Maxi-Flush Automatic Backwash Screen Filters provide the ultimate in high-rate screen filter performance. Built for durable trouble-free service, the filter and cartridge have no internal moving parts to wear out, break down or replace. The field changeable stainless steel filter cartridge requires no maintenance and is constructed with burst strength in excess of 400 psi.

Applications:
- For surface water with high concentration of algae and other organic materials
- Industrial process water, incoming plant water, waste water clean-up, industrial water for plant reuse
- Removal of algae, slime or other organic contaminant, as well as sand, rock, grit and other inorganic contaminants with fine mesh filtration down to 200 mesh or 75 microns
- 100 psi standard operating pressure (high pressure systems available)
- Flow ranges from 250 gpm and up
Advantages:
- Heavy duty, durable backwashable welded stainless steel wedgewire screen filter
- Rugged, field-changeable, washable and replaceable welded stainless steel wedgewire filter available in 40, 80, 100, 150, 200 mesh
- Wedgewire screen cartridge produces long run times between backwash cycles
- Backwash automatically initiated by elapsed time or pressure differential
- No moving parts to wear out
- Easy-entry lid closure
- Available in welded carbon steel
- 3M Scotchkote® 134 fusion bonded epoxy coating on interior surfaces
- Exterior of housing is coated with UV stabilized polyester powder coat for longer product life and greater protection from the environment
- Made in USA
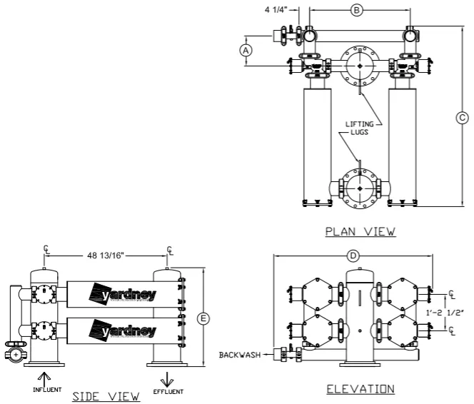
Standard Assembly Includes:
- Filter element
- Backwash valves
- Inlet and outlet manifolds
- Multiple housings include inlet and outlet manifolds and grooved couplings to connect all components
Available Options:
- ASME code
- High pressure
- Solar package
- Custom filter station layout piping
- Available in purple for reclaim water applications




